
⚙️ Estructura reforzada:
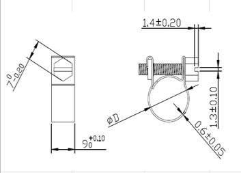
Bandas con bordes enrollados en frío (resistencia ≥700 N/mm²)
Sistema de apriete con tuerca y perno calibrado (Grado 8.8 ISO 898)
⛽ Rendimiento crítico:
Genera presión de sellado uniforme (0.25±0.05 N/mm²)
Especial para mangueras de inyección diésel/gasolina
|
Parámetro |
Certificación |
|
Norma |
Cumple SAE J2044 Clase B |
|
Presión sellado |
0.25 N/mm² @ 150°C |
|
Torque |
5-7 N·m (Ø≤10mm) |
|
Temperatura |
-40°C a +175°C |

|
K-SEAL código |
Banda |
Alojamiento |
Tornillo |
Resistencia a la corrosión |
Par de instalación sugerido (Nm) |
|
KMCxx |
acero esmaltado |
acero esmaltado |
acero esmaltado |
Ordinaria |
ver tabla |
|
KMCGxxSS |
304 SS |
304 SS |
304 SS |
Buena |
ver tabla |
| N.º de pieza (W1) | Número de pieza (W4) | Ajuste (mm) | Ancho de banda (mm) | Espesor de la banda (mm) | Par de apriete recomendado (Nm) | CANTIDAD/Caja |
| KMC0608 | KMCG0608SS | 6-8 | 9SS | 0.6SS | 1.5SS | 1000 |
| KMC0709 | KMCG0709SS | 7-9 | 9SS | 0.6SS | 1.5SS | 1000SS |
| KMC0810 | KMCG0810SS | 8-10 | 9SS | 0.6SS | 1.5SS | 1000SS |
| KMC0911 | KMCG0911SS | 9-11 | 9SS | 0.6SS | 1.5SS | 1000SS |
| KMC1012 | KMCG1012SS | 10-12 | 9SS | 0.6SS | 1.5SS | 1000SS |
| KMC1113 | KMCG1113SS | 11-13 | 9SS | 0.6SS | 1.5SS | 1000SS |
| KMC1214 | KMCG1214SS | 12-14 | 9SS | 0.6SS | 1.5SS | 1000SS |
| KMC1315 | KMCG1315SS | 13-15 | 9SS | 0.6SS | 1.5SS | 500SS |
| KMC1416 | KMCG1416SS | 14-16 | 9SS | 0.6SS | 1.5SS | 500SS |
| KMC1517 | KMCG1517SS | 15-17 | 9SS | 0.6SS | 1.5SS | 500SS |
| KMC1618 | KMCG1618SS | 16-18 | 9SS | 0.6SS | 1.5SS | 500SS |
| KMC1719 | KMCG1719SS | 17-19 | 9SS | 0.6SS | 1.5SS | 500SS |
| KMC1820 | KMCG1820SS | 18-20 | 9SS | 0.6SS | 1.5SS | 500SS |
| KMC1921 | KMCG1921SS | 19-21 | 9SS | 0.6SS | 1.5SS | 500SS |
| KMC2022 | KMCG2022SS | 20-22 | 9SS | 0.6SS | 1.5SS | 500SS |
| KMC2123 | KMCG2123SS | 21-23 | 9SS | 0.6SS | 1.5SS | 500SS |
| KMC2224 | KMCG2224SS | 22-24 | 9SS | 0.6SS | 1.5SS | 500SS |
| KMC2325 | KMCG2325SS | 23-25 | 9SS | 0.6SS | 1.5SS | 500SS |
| KMC2426 | KMCG2426SS | 24-26 | 9SS | 0.6SS | 1.5SS | 500SS |
| KMC2527 | KMCG2527SS | 25-27 | 9SS | 0.6SS | 1.5SS | 500SS |
| KMC2628 | KMCG2628SS | 26-28 | 9SS | 0.6SS | 1.5SS | 500SS |
| KMC2729 | KMCG2729SS | 27-29 | 9SS | 0.6SS | 1.5SS | 500SS |
| KMC2830 | KMCG2830SS | 28-30 | 9SS | 0.6SS | 1.5SS | 500SS |
| KMC2931 | KMCG2931SS | 29-31 | 9SS | 0.6SS | 1.5SS | 500SS |
| KMC3032 | KMCG3032SS | 30-32 | 9SS | 0.6SS | 1.5SS | 500SS |
| KMC3133 | KMCG3133SS | 31-33 | 9SS | 0.6SS | 1.5SS | 500SS |
| KMC3234 | KMCG3234SS | 32-34 | 9SS | 0.6SS | 1.5SS | 500SS |